Душевая система Cubeo 1053350000 Grohe в г.Екатеринбург
Дополнительные товары и услуги
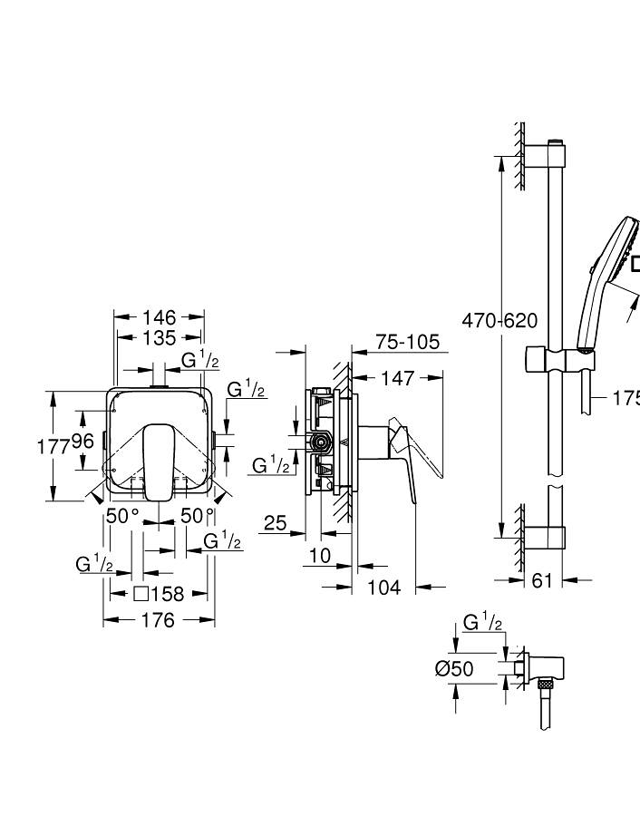
Описание
Этот душевой набор GROHE Cubeo — идеальное решение для тех, кто ценит стиль и комфорт в ванной комнате. Однорычажный смеситель Cubeo с мягкой квадратной формой станет стильным акцентом в интерьере. Универсальный встроенный блок Rapido SmartBox (35600/35604) для скрытого монтажа приобретается отдельно. Лёгкое и простое управление обеспечивается элегантным дизайном рычага с тактильной металлической ручкой. Внутри установлен керамический картридж GROHE SilkMove, обеспечивающий плавный и точный контроль напора и температуры воды.
Ручной душ 110x110 мм предлагает два режима струи: Jet для ополаскивания волос и Rain, нежный, как летний дождь. Выбор режима струи осуществляется с помощью кнопки-диска GROHE SmartSwitch. Технология GROHE DreamSpray обеспечивает равномерный поток из каждой форсунки SpeedClean с защитой от известкового налёта, которую можно легко очистить одним движением пальца.
GROHE Cubeo также заботится об экологии: технология экономии воды GROHE ограничивает потребление до 7,4 л/мин (при 3 бар), не снижая производительность. В комплект входят душевая штанга длиной 600 мм с регулируемым держателем, шланг длиной 1750 мм и подлючение для душа.
Долговечная и простая в уходе отделка GROHE Long-Life сохраняет хромированную поверхность в первозданном виде на весь срок службы. Монтаж отделки выполняется быстро и безопасно благодаря системе блокировки, закрытой розетке и уплотнению вала, что исключает риск протечек. Направляющая легко устанавливается с использованием имеющихся просверленных отверстий, так как верхний кронштейн регулируется.
В комплект входят:
Внешняя часть смесителя
Ручной душ.
Подключение для душа
Шланг для душа
Душевая штанга Tempesta Cube 110
Купить Душевая система Cubeo 1053350000 Grohe артикул: 225838 в интернет-магазине ESMAG - Екатеринбург.
Помогите другим покупателям выбрать правильный интернет-магазин сантехники в городе Екатеринбург.
Производитель может незначительно изменять характеристики товара без нашего уведомления.
Требуется предоплата, если товар является заказным.
Характеристики душа
Материал, из которого сделан смеситель. Самые распространенные варианты производства смесителей - из латуни, нержавеющей стали, алюминия.
Душевая лейка может быть стандартной круглой формы, стильной и современной квадратной формы, интересен вариант с цилиндром (в виде "трубы").




